“Потеет” туманка, снятие ПТФ
После дождей, а чаще после моек, начала “потеть” правая птф . и само интересное, она не просыхала . и вот за месяц в туманке появилась вода . Решено разобрать и разобраться с проблемой .
Под прямым солнцем максимум собирается вода на стекле и на зеркале, как только холодает вода в нише туманки
И так .
Первым делом вывернуть колеса вправо и поднять машину, что бы колесо из арки вышло, тем самым освободим место для работы ))) . можно и без поднятия, только ковыряться дольше .
подарили китайский домкрат, так и живем с ним 2 года ))) . с собой не вожу, а так, иногда поднять по бырику — отличный вариант, а то до своего пока доберешься, саб, инструмент, и кучу всего надо выкинуть из багажника…
Дальше надо открутить 6 саморезов в арке и 1 саморез под бампером
китайский набор головок от 6 до 13 всегда в помощь)))
легким движением руки впротивочасовую сторону и лампочка выходит . На этом можно закончить читать тем, кто решил просто поменять лампу в ПТФ )))
)))
Для снятия ПТФки нужно открутить 3 самореза
к 2-м легко добраться и в поле зрения, а вот 1 спрятан и только на ощуп .
Вот она . Стекло я уже проклеил герметиком . Значит надо думать дальше .
проклеена по всему корпусу, герметик сох сутки, потом установил в бампер . пыль села будто на сырую (((
Снял и прочистил вентиляционный грибок ))), он был забит пылью и не продувался (((
выдергивается легко ))) пальцами снимается верхняя крышка вот так выглядит чистый фильтр
Потянул за уплотнительное кольцо ((( — оно отвалилось . . Зачистил . Промазал герметиком . Убрал излишки . Сохнет )))
отвалилось ((( приклеилось))) Странно, ПТФка не снималась, а зеркало все в паутине
Сбор в обратном порядке .
По времени . хм . 30 минут на разбор и сбор )))
Замена противотуманной фары ВАЗ (Lada) Kalina 1117 2004-2013
Противотуманная фара снимается в случае проведения кузовных работ или в случае ее замены. На автомобиле Лада Калина применяются противотуманные фары производства Bosh (г. Рязань) и завода ООО АВТО свет (г. Киржач), именно эти производители авторизованы АвтоВАЗом.
1. Отсоедините аккумуляторную батарею.
2. Снимите передний защитный подкрылок, чтобы получить доступ к бамперу с обратной стороны, как описано здесь. Снимается соответственно тот подкрылок, с какой стороны вы меняете противотуманную фару.
3. Сжав фиксатор, отсоедините жгут проводов от лампы противотуманной фары.
4. Выверните три винта и снимите противотуманную фару с автомобиля.
5. Противотуманная фара на автомобиль устанавливается в обратном порядке.
Лада калина как снять птф
Замена противотуманной фары ВАЗ (Lada) Kalina 1117 2004-2013
- Ключ с наконечником Torx (звездочка) Т20
- Гаечный ключ рожковый 10 мм
- Отвертка плоская средняя
Детали и расходники:
Противотуманная фара снимается в случае проведения кузовных работ или в случае ее замены. На автомобиле Лада Калина применяются противотуманные фары производства Bosh (г. Рязань) и завода ООО АВТО свет (г. Киржач), именно эти производители авторизованы АвтоВАЗом.
1. Отсоедините аккумуляторную батарею.
2. Снимите передний защитный подкрылок, чтобы получить доступ к бамперу с обратной стороны, как описано здесь. Снимается соответственно тот подкрылок, с какой стороны вы меняете противотуманную фару.
3. Сжав фиксатор, отсоедините жгут проводов от лампы противотуманной фары.
4. Выверните три винта и снимите противотуманную фару с автомобиля.
5. Противотуманная фара на автомобиль устанавливается в обратном порядке.
6. Произведите регулировку противотуманной фары
В статье не хватает:
- Фото инструмента
- Фото деталей и расходников
- Качественных фото ремонта
Как установить противотуманки на Лада Калина 1 поколения
Противотуманные фары (ПТФ) являются дополнительным источником света. Плоский и широкий горизонтальный луч этих фар стелется непосредственно над дорогой, что позволяет улучшать освещение дороги в условиях тумана. На Лада Калина ПТФ устанавливались не во всех модификациях, поэтому вопрос «как поставить противотуманки на Калину» до сих пор актуален.
Установка противотуманок на Лада Калина
Установка противотуманок на Калину не требует снятия бампера, чтобы справится с задачей достаточно открутить передние части подкрылков. Снять заглушку ПТФ в бампере можно с помощью плоской отвертки. В комплекте для установки ПТФ имеется специальное крепление, которое следует установить вместо штатной заглушки в бампер. Сами фары устанавливаются в последнюю очередь, используя саморезы.
Подключение противотуманных фар Калины
В комплекте с помимо противотуманных фар и креплений должна быть проводка, которой часто не хватает. Мы рекомендуем вам докупить несколько метров провода сечением не менее 0,75кв.мм. Провода из моторного отсека в салон протягиваем с помощью куска проволоки по правому борту через отверстие над педалью сцепления. Для получения доступа потребуется снять переднее левое колесо и подкрылок.
Самые практичные места для установки кнопку ПТФ в тоннеле, либо на панели вместо кнопки кондиционера.
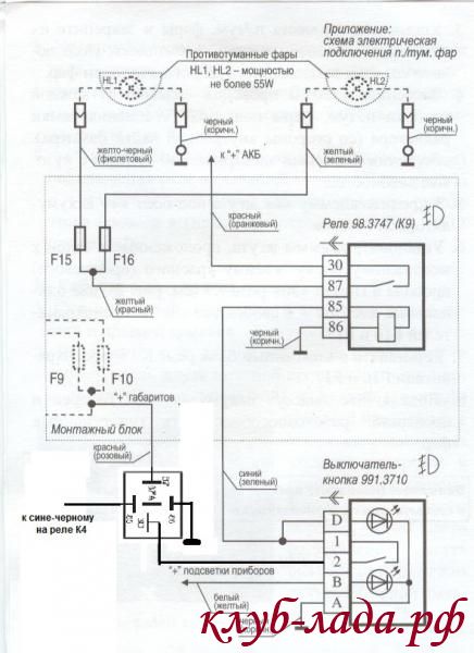
Менее популярный метод — подключение ПТФ к модулю управления светом (МУС). Реле закрепляем навесным креплением в монтажном блоке.
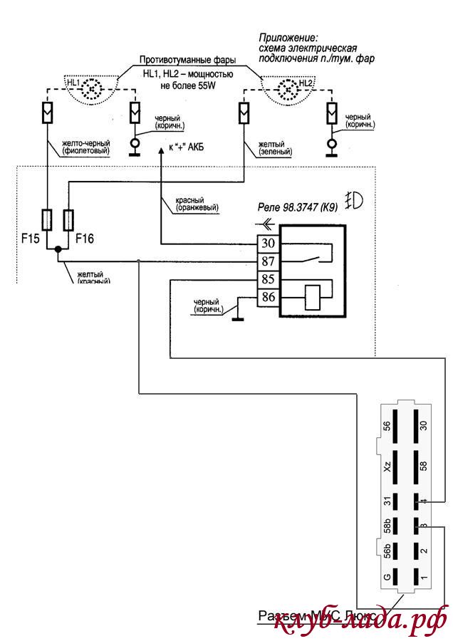
Схема подключения ПТФ на Калину
В комплекте идет инструкция по установке:
А также схема (фото слева). Схема может быть доработана (фото справа) добавлением еще одного реле, которое не позволит гореть противотуманкам после выключения зажигания.
Схема подключения кнопки противотуманок:
Для владельцев Лада Калина с МУС схема подключения противотуманок следующая:
Распиновка контактов МУС Лада Калина:
- Контакт 1 — к ЗПТО
- Контакт 2 — кнопка управления ЗПТО
- Контакт 3 — индикатор (светодиод) состояния ПТФ (включены или выключены);
- Контакт 4 — вывод включения реле ПТФ
- Контакт 30 — 12в (постоянный + приходящий от АКБ)
- Контакт 31 — Общий минус (масса).
- Контакт 56 — К ближнему и дальнему свету фар.
- Контакт 58 — К габаритным огням.
- Контакт 58b -выход (регулируемое напряжение)на подсветку ручек, кнопок и панели приборов.
- Контакт XZ — (+) от замка зажигания
Напомним, что другие фотоотчеты вы можете найти в разделе Тюнинг Лада Калина.
Поделиться в социальных сетях:
Обнаружили ошибку? Выделите ее и нажмите Ctrl+Enter..
Противотуманные фары на Лада Калина: подбор, установка и подключение
Опытные водители рекомендуют ставить противотуманные фары на Калину кроме стандартной оптики. Качественная и надежная оптика в автомобиле обеспечивает хорошую видимость при плохой погоде, при движении ночью, в тумане, а так же она помогает избежать аварийные ситуации на сложных участках дороги.
Подбор ПТФ на Лада Калина
На рынке предлагают оригинальные ПТФ и аналоги для Калины. Хорошие производители дают гарантию на год или более. Их продукция отличается использованием прочного стекла при изготовлении. Оригинальные лампочки помечаются артикулом 11180374301000 для удобного поиска потребителями при покупке онлайн или оффлайн и продавцами – при продаже товара.
С завода на Калине 1 ПТФ установлены на люксовых комплектациях, поэтому многие автовладельцы боятся самостоятельно менять или добавлять лампочки. Однако противотуманные фары перечисленных ниже фирм устанавливают в штатные места без серьезных переделок или дополнительного тюнинга. Понадобится минимум инструментов и опыта для установки ПТФ.
Список отечественных и зарубежных производителей ПТФ, которые идеально монтируются на комплектациях Лада Калина 2 или Лада Калина 1:
- от компании Bosch. Производитель использует плоское стекло для улучшения направленности светового потока. Продаются такие ПТФ парно;
- отечественная компания «Киржач» выпускает фары с линзообразным стеклом. Опытные механики ставят лампочки от «Киржач» на второе место после немецкой фирмы «Bosch»;
- ПТФ «Луч». Отечественная организация производит полный аналог противотуманок «Bosch». Они уступают немецкой компании только в цене;
- лампочки из Китая от «ProSport». Автовладелец сможет сэкономить, но срок эксплуатации одних может быть длительным, другие сгорят через месяц после установки.
Опытные автовладельцы приобретают светодиодные фары. Они дороже по цене, но потребляют меньше электроэнергии и светят ярче. У автовладельца есть возможность выбрать цвет и яркость.
Как установить противотуманки на Лада Калина
Что нужно для установки противотуманных фар
Выбрав комплект ПТФ, автовладельцы приобретают монтажный набор для подключения. Из чего он состоит:
- реле;
- кнопка для включения и выключения;
- провода и клеммы;
- шурупы;
- электросоединители;
- мануал по монтажу для совсем новеньких автовладельцев.
Внимание! Набор для монтажа противотуманной оптики в штатные места маркируется цифровым значением 1119.
Предварительно нужно подготовить следующий набор инструментов:
- рожковые ключи на 8 и 10;
- отвертки с плоским концом и крестообразным;
- ключ на 6 граней для регулировки света;
- изоленту, плоскогубцы;
- стяжки.
Установка ПТФ на Калину
У автовладельца, часто сталкивающегося с разбором машины или отдельных ее частей, сложностей в установке не возникнет. Если же есть сомнения в правильности совершаемых шагов в установке ПТФ, то лучше обратиться в автомастерскую.
- Отключаете клеммы на аккумуляторе.
- Снимаете бампер, предварительно открутив крепления. Чтобы сделать это, нужно выкрутить саморезы на решетке и под арками.
- Вынимаете заглушки отверткой с плоским концом.
- Посредством 3-ех саморезов прикрепите противотуманки. Укрепите их надежно, чтобы конструкция не была хлипкой.
- Приступите к прокладке проводов. Снимите коврик возле кресла водителя.
- Найдите возле педали сцепления жгут из проводов и заглушку. Последнюю продавите.
- Привяжите жгут к проволоке и протяните под капот.
- Прикрепите пластиковыми хомутами новцые провода к старым.
- Расположите их по левой стороне бампера недалеко от места подключения противотуманок спереди.
- Крепко присоедините провода к корпусу машины, чтобы они не болтались.
- Под решеткой радиатора проложите проводку к фаре справа.
- Отрицательные клеммы прикрутите к саморезам на кузове авто.
Как подключить на Калине
Чтобы подсоединить ПТФ на отечественном авто, автовладельцу потребуется следующая схема подключения.
- Противотуманки соединяете через реле с кнопкой. Последнюю устанавливаете под панелью приборов для удобства включения и выключения лампочек.
- Питание проводите от розового провода, что подходит к предохранителям. На этом проводе питание появляется после включения зажигания.
- Соединения оснастите клеммами, чтобы контакт был постоянным и не прерывался. От этого зависит долгая жизнь фар.
Все провода должны иметь сечение не менее 0,75 мм.
После установки и подключения проводите тест на работу ПТФ. Для этого подсоединяете массу автомобиля и нажимаете на кнопку включения противотуманок. Если они загораются, то все было сделано правильно.
Осталось только собрать в обратном порядке разобранные части машины. При сборке бампера, панели приборов и других частей внимательно проследите, чтобы проводка нигде не защемилась.
Регулировка противотуманных фар
Дождитесь темного времени суток и проведите регулировку света установленной оптики. Чтобы провести тест, найдите ровную площадку со сплошной стеной или забором. За сиденье водителя посадите своего друга.
Включите ПТФ и закройте одну из них плотным картоном. Отрегулируйте ее так, чтобы край светового потока проходил ниже линии, которую проведена на стене. Линия должна находиться на том же расстоянии от земли, что и центр у ПТФ на автомобиле.
Замена ламп в штатных противотуманках Калины
Менять лампочки в штатных противотуманках лучше на смотровой яме. Последовательность действий:
- Фиксируете машину и снимаете колесо, над которым нужно заменить лампу.
- Откручиваете крепления подкрылка и демонтируете его.
- Отодвигаете защитный пыльник и отключаете разъем с проводами.
- Поворачиваете ПТФ против часовой стрелки и демонтируете ее.
- Устанавливаете новую, провернув в направлении часовой стрелки.
- Одеваете разъем и пыльник.
После замены ламп останется только проверить и отрегулировать противотуманки.
Заключение
Теперь вы знаете, как заменить старые лампочки и установить ПТФ. Не жалейте денег на качественную оптику. Оригинальные запасные части будут служить дольше.
Как снять противотуманки на калине
Установка и подключение противотуманных фар на Калину
Противотуманки Калины, какие лучше ?
Противотуманки на Калину продают разные, и различаются они не только по производителю, но по качеству изготовления, а также по комплектации. Например:
- ПТФ Bosch с плоским стеклом, продаются только парой, качество изготовления на высоком уровне.
- ПТФ Киржач уже с выпуклым стеклом, как линза. Можно отдельно купить фару, а не комплект целиком.
- ПТФ Луч — аналог Bosch, только у них отсутствует клапан запотевания.
- ПТФ ProSport — китайские противотуманные фары, качество на том же уровне.
Примерная цена противотуманок составляет 1500 рублей.
Установка противотуманных фар на Калину
Установка ПТФ на Калину может быть выполнена без снятия бампера, достаточно будет открутить передние части подкрылков, тогда места для установки фар хватить. При желании можно снять бампер Калины и произвести установку фар в более комфортных условиях.
Снять заглушку противотуманок с помощью отвертки. Установить заглушки под ПТФ из комплекта (перед установкой красим), а затем закрепить сами фары на 3 самореза.
Подключение противотуманных фар на Калину
Если проводка для протувотуманок отсутствует, тогда ищите комплект проводки для ПТФ от Калины или Приоры (цена 400рублей), но учтите, что в этом комплекте не хватит длинны провода, управляющий провод от кнопки придется тянуть к реле через заглушку над педалью газа. Либо находим проводку сечением не менее 0,75кв.мм.
Чтобы проложить проводку фар из подкапотного пространства в салон, потребуется снять переднее левое колесо и пластиковые подкрылки (локеры). С помощью проволоки протаскиваем провода из салона, над педалью сцепления.
Установить кнопку ПТФ можно:
- В тоннель между сиденьями (как снять тоннель Калины). Тут используется кнопка ПТФ от ВАЗ 2115.
- На панель, если комплектация Калины без кондиционера, тогда вместо кнопки кондиционера.
- В блок управления наружным освещением или по-другому модуль управления светом (МУС).
Схема противотуманных фар Калина по первому и второму варианту следующая:
Еще одно реле в последней схеме не позволит гореть ПТФ после выключения зажигания.
Схема противотуманок Калины по третьему способу:
Чтобы при включенном головном освещении не горели ПТФ при заглушенном моторе нужно подключить контакт №30 реле К9 («+ от АКБ») к проводу, который выходит из контакта МУС:»Xz».
Частичная распиновка контактов МУС:
- Контакт 1 — к ЗПТО
- Контакт 2 — кнопка управления ЗПТО
- Контакт 3 — индикатор (светодиод) состояния ПТФ (включены или выключены);
- Контакт 4 — вывод включения реле ПТФ
- Контакт 30 — 12в (постоянный + приходящий от АКБ)
- Контакт 31 — Общий минус (масса).
- Контакт 56 — К ближнему и дальнему свету фар.
- Контакт 58 — К габаритным огням.
- Контакт 58b -выход (регулируемое напряжение)на подсветку ручек, кнопок и панели приборов.
- Контакт XZ — (+) от замка зажигания
Осталось не забыть отрегулировать ПТФ (схема регулировки).
Установка противотуманных фар Лада Калина
Противотуманные фары (ПТФ) предназначены главным образом для освещения дороги во время сильного тумана. В “бедной” комплектации противотуманные фары не предусмотрены, поэтому если Вы решили их установить, советуем ознакомиться с нашим руководством.
На рынке представлен большой ассортимент противотуманных фар для Лада Калина. Их производят как одобренные АвтоВАЗом заводы «Автосвет», г. Киржач и «Аутомотив Лайтинг», г. Рязань (бывший «Бош-Рязань»), так и несколько китайских производителей. Я бы порекомендовал приобрести первый или второй вариант. Они дороже китайских, но имеют лучшее качество изготовления и материалов, да и комплектуются неплохими лампами.
В комплекте с фарами обычно идут накладки по форме вырезов на бампере. Ничего в бампере пилить или сверлить не придётся, достаточно снять защитные заглушки. Лампы у штатных противотуманок имеют патрон H1. Для установки ПТФ на Лада Калина нужно снять передний бампер, протянуть провода от фар в салон, установить кнопку включения и реле и подключиться к проводке (или к аккумулятору автомобиля).
1. Комплект противотуманных фар;
2. Комплект для подключения (провода, кнопка, реле);
3. Держатель для предохранителя на проводе и плавкий предохранитель на 15 А;
4. Отвёртки: крестовая, плоская большие;
5. Гаечный ключ с головками на 8, 10;
6. Шестигранник для регулировки направления света;
7. Кусачки, изолента (желательно паяльник);
8. Кусок жёсткой стальной проволоки для протяжки проводов;
9. Нейлоновые стяжки для крепления проводов;
10. Рулетка или линейка для регулировки света.
Установка противотуманных фар Лада Калина своими руками:
Я приобрел комплект противотуманных фар производства Аутомотив, г. Рязань. Это бывший завод «Бош-Рязань». Но продавцы по прежнему называют эти противотуманки — Bosch.
В комплекте идут черные заглушки.
Их можно покрасить в цвет кузова, благо можно купить краску любого цвета, которым красят автомобили ВАЗ. В Фарах Bosch установлены неплохие и недешевые лампы Philips.
Так же был приобретён комплект для подключения ПТФ Bosch. В пакете лежали провода с разъемами и клеммными колодками и непосредственно сами реле и кнопка.
Но дело в том, что если Лада Калина укомплектована климат контролем, то место для овальной кнопки занято кнопкой включения кондиционера.
Можно приобрести кнопку прямоугольной формы и установить её на место кнопок включения подогрева сидений (рядом с прикуривателем).
Если вы будете устанавливать подогрев сидений, то можно купить блок управления светом от Калины Люкс, в котором имеется кнопка (без фиксации) включения передних противотуманок.
ВНИМАНИЕ! Перед началом работ отключаем минусовую клемму от аккумулятора, и включаем после того как произведём все электрические соединения! Если нет опыта работы с электричеством, лучше пригласить опытного знакомого или отказаться от самостоятельной установки!
Для начала снимем бампер. Откручивает винты и снимаем обе решетки из чёрного пластика. Снять верхнюю решетку мешают защелки, обратите внимание на их форму.
Если гос-номер установлен на рамку, то перед снятием нижней решетки нужно будет его снять. Откручиваем саморезы и болты под решётками и снизу бампера. Даже если нет ямы, винты и болты снизу бампера легко нащупать. Места крепления указаны стрелками для наглядности на уже снятом бампере.
Еще нужно открутить по три самореза с каждой стороны в колёсных арках, которыми фиксируются края бампера. Медленно, покачивающими движениями выводим боковины бампера из-за арок колёс и снимаем бампер. Снимаем заглушки отгибая защёлки плоской отвёрткой. Прикручиваем противотуманные фары на саморезы. По три самореза на каждую фару.
Для того чтобы протянуть провод в салон, лучше всего снять переднее левое колесо и пластиковые подкрылки (защиту арок).
Из салона, над педалью сцепления находим место, куда уходит пучок проводов и выталкиваем резиновый уплотнитель. Используя стальную жесткую проволоку протягиваем провода сечением не менее 0,75 кв. мм. рядом с пучком проводов.
Я рекомендую сразу протянуть ещё несколько проводов из салона в подкапотное пространство для будущих установок светодиодных дневных ходовых огней, сигнализации, электромагнитного замка капота и т.д.
Прокладываем наши провода рядом с заводскими проводами и оставив достаточную длину, стягиваем все провода пластиковыми хомутами (стяжками).
Оставляем провода с разъёмами достаточной длины напротив ПТФ, прикручиваем минусовые клеммы к болтам, соединённым с металлическими частями кузова машины. Болты, которыми крепится защита картера нельзя использовать, поскольку они вкручены в пластиковые патроны и нет надёжного электрического контакта защиты картера с кузовом автомобиля. Фиксируем провода стяжками.
Протянуть провод от правой фары лучше под решеткой радиатора. Если придётся наращивать провода, делаем плотную скрутку, и лучше соединение пропаять. Обязательно тщательно изолируем соединения.
Суммарная мощность, потребляемая противотуманками — 110 Вт, поэтому включаться они должны через реле. Реле управляется кнопкой с фиксацией или блоком управления светотехникой (Люкс). Питание можно взять подключившись к розовому проводу в блоке предохранителей, который идёт к реле К7. Это реле включает дальний свет, а напряжение на этом проводе появляется только в состоянии «зажигание включено».
Подключаемся обязательно через предохранитель на 15 А. Силовые контакты реле 30 и 87 подключаем к предохранителю и проводам на противотуманные фары соответственно. Сечение проводов от этих контактов должно быть не менее чем 0,75 кв. мм.
Обмотка реле (контакты 85 и 86) запитывается от того же предохранителя и через кнопку подключается на минус аккумулятора (корпус автомобиля). После того как произвели все соединения, проверьте правильность подключения и подключайте клемму аккумулятора. Проверяем что фары включаются от кнопки.
Собираем бампер в обратной последовательности, при этом следим, чтобы не защемить провода. Лишних винтов после сборки остаться не должно. Внизу фары есть отверстие для доступа к регулировочному винту.
После установки фар, нужно откорректировать направление светового потока. Ставим машину на расстоянии 5 метров от стены на ровной горизонтальной поверхности. Закрываем одну фару непрозрачным предметом. Вращая регулировочный винт, устанавливаем верхнюю границу светового потока на 50 мм ниже уровня фар.
Более точную регулировку фар автомобиля можно произвести на СТО, используя реглоскоп.
Если в дальнейшем потребуется добраться до противотуманок (например для того чтобы поменять перегоревшую лампочку), можно будет снять подкрылок (защиту арок) переднего колеса, предварительно сняв колесо (поворота колёса недостаточно для обеспечения доступа к крепёжным винтам).
При желании накладки можно покрасить в цвет кузова. Сначала зачищаем мелкой шкуркой обрабатываемую поверхность. Обезжириваем, покрываем грунтовкой, сушим 10 минут. Покрываем краской дважды или трижды с просушкой каждого слоя. Защищаем краску двумя слоями лака.
Обратите внимание, если у Вас возникли неполадки с рулём, мы опубликовали ремонт электроусилителя руля Лада Калина своими руками.
Противотуманные фары на Калину – как выбрать и установить конструкцию
Противотуманные фары для Калины можно установить и без помощи профессионалов, так как процесс достаточно прост, и, соблюдая простые рекомендации, вы гарантированно добьетесь отличного результата.
В данном обзоре мы рассмотрим как особенности монтажных работ, так и критерии выбора качественных ПТФ и основные правила настройки света, чтобы он был максимально эффективным и не слепил встречных водителей. За счет более низкого расположения и направленного пучка света противотуманки намного эффективнее в условиях недостаточной видимости
Основные варианты конструкций и критерии, влияющие на качество
В торговой сети можно встретить следующие виды изделий:
- Продукция под брендом Bosch продается всегда в комплекте (2 шт.) и отличается достаточно прочным стеклом и хорошим качеством светового потока. Можно сказать, что это самый надежный вариант, но и его цена заметно выше всех остальных аналогов.
- ПТФ производства компании «Луч» во многом схожи с вышеописанными, но на самом деле их качество заметно уступает первому варианту. Единственное преимущество – более низкая стоимость.
- Противотуманные фары Киржач на Калину имеют линзообразные выпуклые стекла, что позволяет концентрировать световой поток и направлять его именно туда, куда требуется. Довольно добротное и надежное решение.
- Изделия под брендом ПроСпорт и другими подобными марками выпускаются китайскими заводами. Судить об их надежности и качестве сложно, так как один вариант может быть отличным, а второй выйдет из строя за очень короткий срок.
Продукция концерна Бош и здесь на ведущих ролях
Вопрос, какие противотуманные фары лучше на Калину, вызывает ряд споров, поэтому решение за вами. Как показывает практика, самые популярные варианты — это Бош и Киржач.
Важно! Все из вышеперечисленных вариантов отлично подходят для установки, и вам не придется производить какие-либо переделки в конструкции. Сложно представить более простую схему подключения
Особенности проведения монтажа и настройки
Как отмечалось выше, противотуманные фары Лада Калина можно поставить и своими руками, для этого не нужно специальное оборудование и приспособления, все весьма просто.
Мы рассмотрим вариант со снятием бампера, так как он проще для начинающих мастеров. В дальнейшем, если вдруг понадобится замена противотуманной фары на Калине, то вы справитесь, и не снимая бампер, так как будете знать, как прикреплен элемент и как он подключен.
В целом инструкция по монтажу выглядит так:
- Вначале откручиваются крепления бампера, все точки крепления вы можете найти в руководстве по эксплуатации, саморезы расположены как вдоль решетки, так и под арками. Чтобы освободить конструкцию, боковые части слегка выводятся из-под арок.
Чтобы снять крепеж бампера, следует снять защелки, фиксирующие решетку (зеленые стрелочки)
- Далее с помощью плоской отвертки из конструкции вынимаются заглушки, после чего можно прикреплять сами фары, которые чаще всего идут в обрамлении по размеру отверстия. Крепление не вызовет затруднений, это производится с помощью трех саморезов, главное – сделать все аккуратно, чтобы конструкция стояла ровно и была зафиксирована максимально прочно и надежно.
- Следующий этап – прокладка жгута проводов, которые идут в комплекте. Делается это из салона: вначале снимается коврик, и в районе педали сцепления можно найти большой пучок проводки и заглушку. Заглушка продавливается, чтобы освободить отверстие, после чего жгут привязывается к куску проволоки и протягивается под капот, на фото показано, где находится заглушка.
Найти место прокладки проводов под капот не составит большого труда
- С помощью пластиковых хомутов провода прикрепляются к основному пучку, после чего жгут протягивается по левой стороне и вдоль переднего бампера так, чтобы узлы подключения располагались недалеко от места расположения ПТФ. Важно, чтобы провода были закреплены и не болтались.
- После прокладки проводки в машине можно подключить противотуманки с помощью разъемов, а минусовые провода прикручиваются к ближайшим болтикам на кузове автомобиля.
Важно! Не спешите прикручивать бампер, если вдруг что-то сделано не так, вам не придется вновь разбирать конструкцию.
- Работа системы осуществляется через реле, которое лучше всего установить под панелью, и не забудьте надежно зафиксировать конструкцию. Питание подводится через розовый провод из блока предохранителей, емкость предохранителя должна составлять 15А.
- Для подключения ПТФ используются контакты 30 и 87, все соединения должны быть оборудованы клеммами для обеспечения наилучшего контакта.
Реле управляет работой всей системы
- Далее устанавливается кнопка в салоне, после чего надо проверить работу противотуманок. Для этого одевается клемма аккумулятора и включаются ПТФ. Если все нормально, систему можно собирать, но предстоит еще регулировка противотуманных фар Калины.
Как отрегулировать свет
Для наилучшей эффективности в условиях ограниченной видимости нужно настроить свет, сделать это довольно просто:
- Перед тем, как отрегулировать противотуманные фары на Калине, нужно найти площадку с ровной поверхностью и стеной или сплошным забором перед ней. Именно в этом месте и будут проводиться все необходимые работы.
- В первую очередь проверьте давление в шинах, оно должно быть одинаковым, чтобы машина стояла ровно. После этого измерьте расстояние от земли до центра ПТФ и проведите горизонтальную линию на стене на той же высоте. Нормы ГОСТ регламентируют, чтобы на водительском сидении было отягощение весом 75 кг, можно посадить любого человека с примерно такой массой.
- Работа производится в темное время суток, автомобиль располагается на расстоянии 5 метров от стены, после чего включаются противотуманные фары. Сама регулировка производится с помощью винта, расположение которого показано на фото. То есть для настройки вам понадобится только тонкая крестообразная отвертка.
Главный плюс данного вида работ – простота
- Вначале плотным картоном или другим непрозрачным материалом закрывается одна фара, после чего отверткой поток света регулируется так, чтобы его центр располагался на линии или чуть ниже ее. То же самое повторяется и со второй ПТФ, после этого регулировку можно считать законченной.
Для придания дополнительной надежности стеклам и защите их от попадающих камней рекомендуем заказать изготовление наклеек на фары, они защитят поверхность от царапин и трещин.
Видео в этой статье наглядно покажет весь процесс от начала и до конца и поможет разобраться в некоторых важных нюансах еще лучше. Работы по силам каждому автолюбителю, если вы приобрели качественные изделия.
Прикручиваем противотуманки на Ладу Калину
Очаровательные «глазки» Калины
Противотуманные фары — это незаменимый элемент для любой машины, так как они помогают при езде во время сильного тумана. Для тех, кто не знает: противотуманные фары располагаются значительно ниже основных фонарей, практически возле самого бампера. Это позволяет освещать дорогу на низком уровне, ведь туман стелется в 30-60 см над землей. Кроме того, даже если нет тумана, дополнительные фары всегда помогут обозначить габариты вашей машины во время езды ночью.
Противотуманки на Калину так же, как и любые другие, со временем могут испортиться. Именно поэтому владельцам данных автомобилей необходимо знать, что делать в тех случаях, когда ПТФ выходят из строя.
Подготовка к установке противотуманок
ПТФ имеют более дальний и направленный диапазон светового потока. Практически весь свет таких фар направлен только прямо, что позволяет заранее опознавать авто других водителей, не светя им в глаза.
На автомобиле Лада Калина установлены ПТФ «Люкс», однако на рынке запчастей огромное разнообразие моделей подобных фар, поэтому каждый автолюбитель сможет установить противотуманки на Ладу Калина, которые нравятся ему больше. В зависимости от класса и качества деталей различают несколько видов противотуманок.
В процессе замены старых фар на новые не требуется ничего сверлить и выпиливать. В комплекте вместе с ПТФ на Лада Калина идут специальные накладки по форме выреза бампера. Все, что нужно будет демонтировать, — это заглушки. После этого можно приступать к установке деталей.
Для того чтобы быстро и качественно провести замену старых противотуманных фар на новые, потребуется приготовить или купить некоторые запчасти и инструменты. Итак, для работ понадобятся:
- противотуманные фары (комплект);
- реле, провода и кнопка-комплект для подключения фар;
- плавкий предохранитель и держатель для него;
- рулетка — необходима для регулирования света;
- гаечные ключи с головками на 8 и 10;
- железная стальная проволока (небольшой кусок) — для того чтобы протянуть провода;
- отвертки — крестовая, плоская большого размера;
- стяжки нейлоновые — чтобы крепить провода;
- кусачки;
- паяльник;
- изолента;
- шестигранник, который нужен, чтобы регулировать направление света.
Имея в наличии все вышеперечисленные материалы и инструменты, можно смело приступать к работе, разумеется, предварительно изучив инструкцию по замене ПТФ.
Виды ПТФ и способы их установки на Калину
Существует большое количество противотуманных фар, которые можно устанавливать на автомобиль Лада Калина. ПТФ могут быть следующих видов.
- Сдвоенные.
- Круглые.
- Для наружной установки.
- Квадратные.
- Утапливаемые.
- Овальные.
Однако на самом деле далеко не все вышеперечисленные модели можно установить вместо заводских противотуманок на Калину. При необдуманной покупке автовладельцам приходится переделывать крепления. Если вы хотите этого избежать, лучше всего приобретать один из комплектов ПТФ, выпускаемых следующими производителями.
- Противотуманные фары Bosch. Немецкий экземпляр, который отличается высоким качеством стекла и дальностью света. Продаются они только парой.
- Противотуманные фары “Луч”. Один из аналогов немецкой продукции, стоимость которых значительно ниже оригинала. Однако и качество их далеко не то, каким обладают немецкие противотуманки.
- Противотуманки ProSport от китайского производителя, который изготавливает запчасти для российских автомобилей.
- ПТФ “Киржач”. Имеют линзообразные стекла, которые позволяют сконцентрировать дальность и яркость потока света.
Следует отметить, что все противотуманные фары вышеперечисленных производителей идеально подходят для авто Лада Калина и не потребуют проведения каких-либо дополнительных манипуляций. Все, что нужно будет сделать — это снять старые заглушки и вместо них установить новые ПТФ. В комплекте с новыми противотуманками идут 4 заглушки, которые при необходимости можно окрасить в другой цвет для придания автомобилю большей стильности.
Существуют два распространенных способа установки фар против тумана.
- Со снятием переднего бампера (способ, который будет описан).
- Без снятия бампера — метод используется опытными мастерами, которые не один год занимаются ремонтом автомобилей.
Новичкам рекомендуется выполнять замену ПТФ, предварительно сняв передний бампер. На фото можно увидеть, что входит в установочный комплект противотуманных фар.
Инструкция по монтажу противотуманок на Ладу
Данная инструкция является пошаговой, поэтому в обязательном порядке нужно соблюдать последовательность действий. Нарушение этапов установки может привести к ошибкам монтажа и отсутствию желаемого результата.
- Для начала необходимо снять передний бампер. Чтобы это сделать, нужно предварительно выкрутить крепежные элементы. Саморезы находятся снизу бампера под решеткой. Кроме того, нужно выкрутить крепеж в арках колес, с его помощью крепятся края бампера. Боковины бампера необходимо вывести из-под арок обоих колес. После этого бампер полностью снимается.
- Далее следует вытащить заглушки, при этом защелки можно отогнуть при помощи плоской отвертки. Теперь с помощью саморезов нужно прикрутить противотуманки. Каждая ПТФ крепится на 3 самореза.
- Следующие действия проводят внутри салона авто. Заглянув под ноги, точнее, под педаль сцепления, можно увидеть пучок проводов. В этом месте нужно вытолкнуть уплотнитель, после чего при помощи металлической проволоки вытянуть провода от противотуманок, которые проходят рядом с основными.
- Провода от ПТФ необходимо соединить с основными, а весь пучок стянуть, используя хомуты из пластика.
- Напротив самих противотуманок нужно оставить провода такой длины с разъемами, чтобы их можно было легко зафиксировать при помощи стяжек. Что касается минусовых клемм, то их следует крепить к винтам на кузове авто.
- Поскольку общая мощность, которую потребляют ПТФ, составляет 110 Вт, подключать их нужно только через реле с управляющей кнопкой. Саму кнопку можно установить на приборную доску либо рядом с зажигалкой. Для того чтобы подвести питание к фарам, необходимо подключить к реле розовый провод, который находится в блоке предохранителей.
- Предохранитель, к которому подключается ПТФ, должен быть рассчитан на 15 А. Силовые контакты реле 30 и 87 подключаются к проводам на противотуманки.
- После выполненных работ нужно проверить правильность соединений, подключив клемму аккумулятора. Теперь нажимается кнопка в салоне. Если все в порядке и фары работают, можно приступать к заключительному этапу. Для более необычного «холодного» освещения можно установить в противотуманки ксенон.
- При установке бампера на автомобиль действия выполняются в обратной последовательности. Теперь необходимо еще раз проверить правильность работы всей системы.
Регулировка фар своими руками
После установки нужно отрегулировать направление и яркость света противотуманок. Для этого автомобиль ставится на ровную поверхность на расстоянии 5 метров от стены. Далее одна фара закрывается, например, картонкой или жестянкой. Вращая винт для регулировки, нужно сделать так, чтобы граница исходящего света была на 0,5 м ниже уровня светового потока основных фар.
Для наиболее точной регулировки используется специальный прибор реглоскоп, однако можно обойтись и без него. На этом процесс установки новых противотуманных фар заканчивается. Если все этапы были выполнены правильно, новые ПТФ будут служить долго и надежно.
Как установить противотуманки на «Калину»?
Противотуманные фары предназначены для более интенсивного освещения дорожного полотна в условиях недостаточной видимости и в плохих погодных условиях. Такая оптика иногда используется и днем, когда автомобиль движется за городом. Нужно заметить, что особенность противотуманных фар – это более широкий угол направленности светового потока. Эти фары выдают плоский и широкий горизонтальный луч. Противотуманки на «Калину» штатно устанавливаются не во всех комплектациях. Поэтому вопрос выбора и установки этой оптики очень актуален для владельцев данных автомобилей.
Как выбрать противотуманные фары
Завод-изготовитель комплектует автомобиль ПТФ только в одной комплектации – это максимальное оснащение «Люкс». Владельцы других версий вынуждены устанавливать противотуманки на «Калину» своими руками.
Но предварительно необходимо знать, какими бывают эти фары. Различают их по трем критериям:
- Производитель.
- Качество производства оптики.
- Комплектация.
Если учесть данные факторы, то наиболее оптимальным вариантом считается несколько фар от разных брендов. Так, оптика от Bosch оснащается плоским стеклом, отличающимся высоким качеством. Штатные противотуманные фары для рассматриваемого авто изготавливаются в Рязани. Оптика оснащается плоским стеклом.
Более доступным аналогом считается продукция «Киржач». Эта оптика отличается выпуклым стеклом. В ней за счет применения выпуклой линзы световой поток концентрируется и направляется туда, куда нужно. По отзывам владельцев, это добротная конструкция. Качественные противотуманки на «Калину» выпускает «Луч». Но фары не комплектуются клапаном запотевания. Это аналог Bosch, который выпускается отечественным производителем.
Если необходимо установить ПТФ, но при этом хочется сэкономить средства, на рынке представлена масса китайской продукции. Среди этих изделий можно найти вполне качественные фары. Один из китайских брендов – «ПроСпорт». Говорить что-то о качестве китайской продукции нельзя. Один экземпляр может быть неплохим, а другой выйдет из строя буквально через несколько дней. Если выбирать хорошие противотуманки на «Калину», то это либо Bosch, либо «Киржач». Это самые популярные производители, продукция которых пользуется широким спросом автовладельцев. Они будут служить достаточно долго.
Стандартная комплектация противотуманной фары
ПТФ любого производителя имеет стандартную комплектацию. Так, в комплект входят рамки для крепежа, сама оптика в количестве двух штук.
Еще в наборе есть крепежные болты, провода и разъемы, реле, кнопка для включения/выключения, коннекторы для соединения проводов и саморезы. Часто устройства дополнительно укомплектованы гофрой, в которой можно скрыть провода.
Как поставить на автомобиль «Калина» противотуманки?
Установка проводится без необходимости демонтажа бампера. Для того чтобы выполнить монтаж, необходимо лишь открутить и снять передние части подкрылков. Заглушку на бампере можно удалить при помощи плоской отвертки. В комплект производитель часто включает специальное крепление-рамку. Она устанавливается вместо заглушки в бампере. Сама же оптика устанавливается и закрепляется в последнюю очередь.
Но есть способ монтажа, где необходимо демонтировать бампер. Для этого вначале выворачивают саморезы и крепёжный болт, а после этого выводят боковины бампера из-под колесных арок. Далее снимаются заглушки и ставятся противотуманки. «Калина» продолжает стоять на месте. Изнутри ПТФ закрепляются тремя саморезами к бамперу. Снаружи до щелчка на место заглушки устанавливается декоративная рамка.
Подключение противотуманок
Первым делом жгут проводов проводят под капотом и подключают при помощи комплектных разъемов к левой и правой фаре. «Масса» закрепляется на кузове. «Плюс» подсоединяют к клемме аккумулятора по приложенной производителем схеме (одна из них представлена на фото ниже).
Далее жгут, который находится под капотом, протягивают в салон. Лучше и удобней это делать вдоль штатного жгута проводов, что расположен в левом крыле. Удобнее это делать, если предварительно демонтировать подкрылок. Далее все работы будут проводиться в салоне. Необходимо снять пепельницу. Для этого выворачивают четыре винта. Через проем выталкивают заглушки кнопок.
Под этими заглушками есть еще два винта. Они удерживают накладку на панели приборов. Затем снимают ручки регулировки температуры. Их можно легко снять, если потянуть на себя. Далее аккуратно отодвигают накладку на панели и вместе с этим выталкивают заглушку для кнопки кондиционера. На место заглушки будет установлена кнопка, управляющая противотуманками.
Короткие белый и черный провода соединяют при помощи коннекторов с проводами такого же цвета, которые идут от кнопки подогрева заднего стекла. Длинные провода протягивают от кнопки к монтажному блоку через приборную панель. Для удобства работы монтажный блок нужно выдвинуть в салон. В верхней части рукой ищут тот конец жгута, который приходит из-под капота.
Итак, у нас есть три провода, которые приходят из-под капота и два, идущие от кнопки. Сейчас необходимо соединить систему предохранителей и реле по схеме, приложенной производителем. Далее следует проверить, как работают противотуманки. «Лада Калина» загоняется в темное помещение. Если все в порядке, тогда можно собрать салон обратно. Реле, а также предохранители устанавливают в монтажный блок. Все соединения изолируют. Сборку проводят в обратной последовательности. Единственная сложность, которая может возникнуть, – это установка панели приборов на ее место. Удобнее вначале закрепить верхние защелки, а затем нижние.
Регулировка ПТФ
Чтобы получить максимальную эффективность от противотуманных фар, необходимо отрегулировать свет. Это простая процедура, с которой без труда справятся даже новички. Прежде чем начать настройку, необходимо установить автомобиль на максимально ровную площадку. Нужна стена или сплошной забор перед этой площадкой. Именно в этом месте и будут настраиваться противотуманки, на “Ладу Калину” установленные. Первым делом специалисты рекомендуют проверить давление в шинах. Важно, чтобы оно было одинаковым во всех колесах. Только так автомобиль будет стоять идеально ровно. Затем проверяют расстояние от центральной точки фары до земли. На стене на этой же высоте проводят линию. По нормам ГОСТ необходимо, чтобы на сидении водителя была нагрузка в 75 кг.
Настройку выполняют в темное время суток. Машину ставят на площадку на расстоянии 5 метров от стены. Затем включают фары. Сам процесс настройки выполняется при помощи специального винта. Он находится в нижней части заглушки. Для процесса потребуется крестообразная отвертка. Одну из фар закрывают любым непрозрачным материалом, а затем при помощи отвертки регулируют световой поток так, чтобы центр его был на прочерченной линии или ниже ее. Затем эту же операцию проводят для другой фары.
Лампочки для ПТФ
Лампочка противотуманки на “Калину” ставится с цоколем H11. Главный плюс этого цоколя в том, что он обеспечивает высокую мощность. Сейчас выпускают галогенные и светодиодные лампочки данного типа.
Устанавливают их, в том числе и на противотуманные фары. Давайте рассмотрим, что можно выбрать.
Это одни из самых ярких ламп в своей категории. Изделие состоит из нескольких элементов. Это радиатор, стабилизатор, линза и светодиоды повышенной яркости. Запитывается лампочка от бортового напряжения в 12 В. Мощность составляет 55 Вт.
«Филипс Блю Вижн»
Эта лампа тоже может использоваться в противотуманных фарах. Она галогенового типа. За счет применения производителем специальных технологий, свечение напоминает ксеноновый свет. Яркое, белое свечение отлично освещает дорожное покрытие. Его поток составляет 1 350 лм. Также эта модель характеризуется высоким сроком службы и хорошим качеством сборки.
Заключение
Вот таким образом устанавливаются противотуманки. “Калина”, лампы для ПТФ которой имеют цоколь Н11, будет хорошо освещать дорожное полотно в туман, дождь и в других погодных условиях.
Инструкция по замене лампы противотуманной фары Lada Kalina
Замену покажем на правой противотуманной фаре. В левой фаре лампу меняем аналогично.
Отворачиваем четыре самореза крепления подкрылка колеса к переднему бамперу. Расположение точек крепления подкрылка можно посмотреть на общем виде.
Поворачиваем рулевое колесо до упора вправо.
Поворачиваем рулевое колесо до упора влево и отгибаем подкрылок к колесу.
Внимание! Лампы противотуманного света – галогенные. Не следует касаться пальцами их стеклянной колбы, так как следы от них приведут к потемнению лампы при нагреве. Удалить загрязнение с колбы можно чистой ветошью, смоченной в спирте.
Новую лампу Н11 устанавливаем в обратной последовательности.
Понравилась заметка? Подпишись и будешь всегда в курсе!
Отзывы о LADA Kalina ( 8 )
Большой дорожный просвет, всеядная подвеска. Откатала со мной 128ткм, за 10 лет)))
Не могу сказать, что очень ломучая, но новые запчасти не выдерживают и 1/3 того ресурса, который выдержали заводские элементы.













































































