Схема подключения трехфазного электродвигателя к трехфазной сети
Электродвигатели
При этом нет необходимости добавлять в схему подключения какие-то пусковые устройства, потому что магнитное поле будет образовываться в обмотках статора сразу же после пуска двигателя. Давайте рассмотрим один вопрос, который сегодня встречается часто на форумах электриков. Вопрос звучит так: как правильно провести подключение трехфазного электродвигателя к трехфазной сети?
Схемы подключения
Начнем с того, что рассмотрим конструкцию трехфазного электродвигателя. Нас здесь будут интересовать три обмотки, которые и создают магнитное поле, вращающее ротор мотора. То есть, именно так и происходит преобразование электрической энергии в механическую.
Существует две схемы подключения:
- Звезда.
- Треугольник.
Сразу же оговоримся, что подключение звездой делает пуск агрегата более плавным. Но при этом мощность электродвигателя будет ниже номинальной практически на 30%. В этом плане подключение треугольником выигрывает. Мощность подключенный таким образом мотор не теряет.
Но тут есть один нюанс, который касается токовой нагрузке. Эта величина резко возрастает при пуске, что негативно влияет на обмотку. Высокая сила тока в медном проводе повышает тепловую энергию, которая влияет на изоляцию провода. Это может привести к пробивке изоляции и выходу из строя самого электродвигателя.
Так вот эти трехфазные электродвигатели надо подключать к отечественной сети 380В только по схеме треугольник. Если подключить европейский мотор звездой, то под нагрузкой он сразу же сгорит.
Отечественные же трехфазные электродвигатели к трехфазной сети подключаются по схеме звезда. Иногда подключение производят треугольником, это делается для того, чтобы выжать из мотора максимальную мощность, необходимую для некоторых видов технологического оборудования.
Производители сегодня предлагают трехфазные электродвигатели, в коробке подключения которых сделаны выводы концов обмоток в количестве трех или шести штук. Если концов три, то это значит, что на заводе внутри мотора уже сделана схема подключения звезда.
Если концов шесть, то трехфазный двигатель можно подключать к трехфазной сети и звездой, и треугольником. При использовании схемы звезда необходимо три конца начала обмоток соединить в одной скрутке. Три остальных (противоположных) подключить к фазам питающей трехфазной сети 380 вольт.
При использовании схемы треугольник нужно все концы соединить между собой по порядку, то есть последовательно. Фазы подключаются к трем точкам соединения концов обмоток между собой. Внизу фото, где показаны два вида подключения трехфазного двигателя.
Схема звезда-треугольник
Такая схема подключения к трехфазной сети используется достаточно редко. Но она существует, поэтому есть смысл сказать о ней несколько слов. Для чего она используется? Весь смысл такого соединения основан на позиции, что при пуске электродвигателя используется схема звезда, то есть плавный пуск, а для основной работы используется треугольник, то есть выжимается максимум мощности агрегата.
Правда, такая схема достаточно сложная. При этом обязательно устанавливаются в соединение обмоток три магнитных пускателя. Первый соединяется с питающей сетью с одной стороны, а с другой стороны к нему подсоединяются концы обмоток. Ко второму и третьему подключаются противоположные концы обмоток. Ко второму пускателю производится подсоединение треугольником, к третьему звездой.
Внимание! Одновременно включать второй и третий пускатели нельзя. Произойдет короткое замыкание между подключенными к ним фазами, что приведет к сбрасыванию автомата. Поэтому между ними устанавливается блокировка. По сути, все будет происходить так – при включении одного, размыкаются контакты у другого.
Принцип работы таков: при включении первого пускателя временное реле включает и пускатель номер три, то есть, подключенного по схеме звезда. Происходит плавный пуск электродвигателя. Реле времени задет определенный промежуток, в течение которого мотор перейдет в обычный режим работы. После чего пускатель номер три отключается, а включается второй элемент, переводя на схему треугольник.
Подключение электрического двигателя через магнитный пускатель
В принципе, схема подключения 3 фазного двигателя через магнитный пускатель практически точно такая же, как и через автомат. Просто в нее добавляется блок включения и выключения с кнопками «Пуск» и «Стоп».
Одна из фаз подключения к электродвигателю проходит через кнопку «Пуск» (она нормально замкнутая). То есть, при ее нажатии смыкаются контакты, и ток начинает поступать на электродвигатель. Но тут есть один момент. Если отпустить Пуск, то контакты разомкнуться, и ток поступать не будет по назначению.
Поэтому в магнитном пускателе есть еще один дополнительный контактный разъем, который называется контактом самоподхвата. По сути, это блокировочный элемент. Он необходим для того чтобы при отжатой кнопке «Пуск» цепь подачи электроэнергии на электродвигатель не прерывалась. То есть, разъединить ее можно было бы только кнопкой «Стоп».
Что можно дополнить к теме, как подключить трехфазный двигатель к трехфазной сети через пускатель? Обратите внимание вот на какой момент. Иногда после долгой эксплуатации схемы подключения трехфазного электродвигателя кнопка «пуск» перестает работать. Основная причина – подгорели контакты кнопки, ведь при пуске двигателя появляется пусковая нагрузка с большой силой тока. Решить эту проблему можно очень просто – почистить контакты.
Схемы подключения электродвигателя к электропитанию
Самый простой и надежный способ – обратиться к нормальному электрику и не экономить на этом, т.к. зачастую, пытаясь сэкономить, приглашают «дядю Васю», или других отзывчивых «специалистов», которые рядом, но на самом деле слабо понимают, что происходит.
В лучшем случае, эти «профи» звонят и спрашивают – правильно ли я подключаю. Тут ещё есть шанс не спалить двигатель. Сразу становится понятна квалификация «электрика», когда задают такие вопросы, от которых можно просто впасть в ступор (так как именно этому и учат электриков).
Например:
— зачем шесть контактов в двигателе?
— а почему контактов всего три?
— что такое «звезда» и «треугольник»?
— а почему, когда я подключаю трехфазный насос и ставлю поплавковый выключатель, который рвёт одну фазу, двигатель не останавливается?
— а как измерить ток в обмотках?
— что такое пускатель?
и т.п.
Если ваш электрик задаёт такие вопросы, то нужно его отправить туда, откуда он пришёл. Иначе всё закончится сгоревшим электродвигателем, потерей денег, времени, дорогостоящим ремонтом. Давайте попробуем разобраться в схемах подключения электродвигателя к электропитанию.
Для начала нужно понимать, что существуют несколько популярных типов сетей переменного тока:
1. Однофазная сеть 220 В,
2. Трехфазная сеть 220 В (обычно используется на кораблях),
3. Трехфазная сеть 220В/380В,
4. Трехфазная сеть 380В/660В.
Есть ещё на напряжение 6000В и некоторые другие редкие, но их рассматривать не будем.
В трёхфазной сети обычно есть 4 провода (3 фазы и ноль). Может быть ещё отдельный провод «земля». Но бывают и без нулевого провода.
Как определить напряжение в вашей сети?
Очень просто. Для этого нужно измерить напряжение между фазами и между нулём и фазой.
В сетях 220/380 В напряжение между фазами (U1, U2 и U3) будет равно 380 В, а напряжение между нолём и фазой (U4, U5 и U6) будет равно 220 В.
В сетях 380/660В напряжение между любыми фазами (U1, U2 и U3) будет равно 660В, а напряжение между нулем и фазой (U4, U5 и U6) будет равно 380 В.
Возможные схемы подключения обмоток электродвигателей
Асинхронные электродвигатели имеют три обмотки, каждая из которых имеет начало и конец и соответствует своей фазе. Системы обозначения обмоток могут быть разными. В современных электродвигателях принята система обозначения обмоток U, V и W, а их выводы обозначают цифрой 1 начало обмотки и цифрой 2 – её конец, то есть обмотка U имеет два вывода: U1 и U2, обмотка V – V1 и V2, а обмотка W – W1 и W2.
Однако до сих пор ещё в эксплуатации находятся старые асинхронные двигатели, сделанные во времена СССР и имеющие старую советскую систему маркировки. В них начала обмоток обозначаются C1, C2, C3, а концы — C4, C5, C6. Значит, первая обмотка имеет выводы C1 и C4, вторая — C2 и C5, а третья — C3 и C6.
Обмотки трёхфазных электродвигателей можно подключать по двум различным схемам: звездой (Y) или треугольником (Δ).
Подключение электродвигателя по схеме звезда
Название схемы подключения обусловлено тем, что при соединении обмоток по данной схеме (см. рисунок справа), визуально это напоминает трёхлучевую звезду.
Как видно из схемы подключения электродвигателя, все три обмотки своим одним концом соединены вместе. При таком подключении (сеть 220/380 В), к каждой обмотке отдельно подходит напряжение 220 В, а к двум обмоткам, соединённым последовательно, – напряжение 380 В.
Основным преимуществом подключения электродвигателя по схеме звезда являются небольшие пусковые токи, так как напряжение питания 380 В (межфазное) потребляют сразу 2 обмотки, в отличие от схемы «треугольник». Но при таком подключении мощность питаемого электродвигателя ограничена (главным образом из экономических соображений): обычно по звезде включают относительно слабые электродвигатели.
Подключение электродвигателя по схеме треугольник
Название этой схемы также идёт от графического изображения (см. правый рисунок):
Как видно из схемы подключения электродвигателя – «треугольник», обмотки подключаются последовательно друг к другу: конец первой обмотки соединяется с началом второй и так далее.
То есть к каждой обмотке будет приложено напряжение 380 В (при использовании сети 220/380 В). В этом случае по обмоткам течёт больший ток, по треугольнику обычно включают двигатели большей мощности, чем при соединении по звезде (от 7,5 кВт и выше).
Подключение электродвигателя к трёхфазной сети на 380 В
Последовательность действий такова:
1. Для начала выясняем, на какое напряжение рассчитана наша сеть.
2. Далее смотрим на табличку, которая есть на электродвигателе, она может выглядеть так (звезда Y /треугольник Δ):
3. После идентификации параметров сети и параметров электрического подключения электродвигателя (звезда Y /треугольник Δ), переходим к физическому электрическому подключению электродвигателя.
4. Чтобы включить трёхфазный электродвигатель, нужно одновременно подать напряжение на все 3 фазы.
Достаточно частая причина выхода из строя электродвигателя – работа на двух фазах. Это может произойти из-за неисправного пускателя, или при перекосе фаз (когда напряжение в одной из фаз сильно меньше, чем в двух других).
Есть 2 способа подключения электродвигателя:
— использование автоматического выключателя или автомата защиты электродвигателя
Эти устройства при включении подают напряжение сразу на все 3 фазы. Мы рекомендуем ставить именно автомат защиты электродвигателя серии MS, так как его можно настроить в точности на рабочий ток электродвигателя, и он будет чутко отслеживать его повышение в случае перегрузки. Это устройство в момент пуска даёт возможность некоторое время работать на повышенном (пусковом) токе, не отключая двигатель.
Обычный же автомат защиты требуется ставить с превышением номинального тока электродвигателя, с учётом пускового тока (в 2-3 раза выше номинала).
Такой автомат может отключить двигатель только в случае КЗ или его заклинивания, что часто не обеспечивает нужной защиты.
— использование пускателя
Пускатель представляет собой электромеханический контактор, который замыкает каждую фазу с соответствующей обмоткой электродвигателя.
Привод механизма контактора осуществляется с помощью электромагнита (соленоида).
Устройство электромагнитного пускателя:
Магнитный пускатель устроен достаточно просто и состоит из следующих частей:
(1) Катушка электромагнита
(2) Пружина
(3) Подвижная рама с контактами (4) для подключения питания сети (или обмоток)
(5) Контакты неподвижные для подключения обмоток электродвигателя (сети питания).
При подаче питания на катушку, рама (3) с контактами (4) опускается и замыкает свои контакты на соответствующие неподвижные контакты (5).
Типовая схема подключения электродвигателя с использованием пускателя:
При выборе пускателя следует обращать внимание на напряжение питания катушки магнитного пускателя и покупать его в соответствии с возможностью подключения к конкретной сети (например, если у вас есть только 3 провода и сеть на 380 В, то катушку нужно брать на 380 В, если у вас сеть 220/380 В, то катушка может быть и на 220 В).
5. Проконтролировать, в правильную ли сторону крутится вал.
Если требуется изменить направление вращения вала электродвигателя, то нужно просто поменять местами любые 2 фазы. Это особенно важно при запитывании центробежных электронасосов, имеющих строго определённое направление вращения рабочего колеса
Как подключить поплавковый выключатель к трёхфазному насосу
Из всего вышеописанного становится понятно, что для управления трёхфазным электродвигателем насоса в автоматическом режиме с использованием поплавкового выключателя НЕЛЬЗЯ просто разрывать одну фазу, как это делается с монофазными двигателями в однофазной сети.
Самый простой способ – использовать для автоматизации магнитный пускатель.
В этом случае достаточно поплавковый выключатель встроить последовательно в цепь питания катушки пускателя. При замыкании цепи поплавком будет замыкаться цепь катушки пускателя, и включаться электродвигатель, при размыкании – будет отключаться питание электродвигателя.
Подключение электродвигателя к однофазной сети 220 В
Обычно для подключения к однофазной сети 220В используются специальные двигатели, предназначенные для подключения именно к такой сети, и вопросов с их питанием не возникает, т.к. для этого просто требуется вставить вилку (большинство бытовых насосов оснащены стандартной вилкой Шуко) в розетку
Иногда требуется подключение трехфазного электродвигателя к сети 220 В (если, например, нет возможности провести трехфазную сеть).
Максимально возможная мощность электродвигателя, который можно включить в однофазную сеть 220 В, составляет 2,2 кВт.
Самый простой способ – подключить электродвигатель через частотный преобразователь, рассчитанный на питание от сети 220 В.
Следует помнить, что частотный преобразователь на 220 В, выдает на выходе 3 фазы по 220 В. То есть подключить к нему можно только электродвигатель, который имеет напряжение питания на 220 В трёхфазной сети (обычно это двигатели с шестью контактами в распаячной коробке, обмотки которых можно подключить как по звезде, так и по треугольнику). В данном случае требуется подключение обмоток по треугольнику.
Возможно ещё более простое подключение трехфазного электродвигателя в сеть 220 В с использованием конденсатора, но такое подключение приведёт к потере мощности электродвигателя приблизительно на 30%. Третья обмотка запитывается через конденсатор от любой другой.
Данный тип подключения мы рассматривать не будем, так как нормально с насосами такой способ не работает (либо при старте двигатель не запускается, либо электродвигатель перегревается из-за снижения мощности).
Использование частотного преобразователя
В настоящее время достаточно активно все стали применять частотные преобразователи для управления частотой вращения (оборотами) электродвигателя.
Это позволяет не только экономить электроэнергию (например, при использовании частотного регулирования насосов для подачи воды), но и управлять подачей насосов объёмного типа, превращая их в дозировочные (любые насосы объёмного принципа действия).
Но очень часто при использовании частотных преобразователей не обращают внимания на некоторые нюансы их применения:
— регулировка частоты, без доработки электродвигателя, возможна в пределах регулировки частоты +/- 30% от рабочей (50 Гц),
— при увеличении частоты вращения более 65 Гц требуется замена подшипников на усиленные (сейчас с помощью ЧП возможно поднять частоту тока до 400 Гц, обычные подшипники просто разваливаются на таких скоростях),
— при уменьшении частоты вращения встроенный вентилятор электродвигателя начинает работать неэффективно, что приводит к перегреву обмоток.
Из-за того, что не обращают внимания при проектировании установок на такие «мелочи», очень часто электродвигатели выходят из строя.
Для работы на низкой частоте ОБЯЗАТЕЛЬНО требуется установка дополнительного вентилятора принудительного охлаждения электродвигателя.
Вместо крышки вентилятора устанавливается вентилятор принудительного охлаждения (см. фото). В этом случае, даже при снижении оборотов вала основного двигателя,
дополнительный вентилятор обеспечит надёжное охлаждение электродвигателя.
Мы имеем большой опыт модернизации электродвигателей для работы на низкой частоте.
На фото можно видеть винтовые насосы с дополнительными вентиляторами на электродвигателях.
Данные насосы используются в качестве дозирующих насосов на пищевом производстве.
Надеемся, что данная статья поможет вам правильно подключить электродвигатель к сети самостоятельно (ну или хотя бы понять, что перед вами не электрик, а «специалист широкого профиля»).
Как подключить трехфазный двигатель к сети 220 или 380 В?
Среди электрических машин, предназначенных для совершения механической работы, одними из наиболее продуктивных считаются трехфазные агрегаты. Вращение ротора осуществляется посредством одновременного воздействия магнитного потока от фазных обмоток. Что и обеспечивает одновременное усилие сразу трех моментов, пропорционально взаимодействующих друг с другом. Как можно выполнить подключение трехфазного двигателя в зависимости от их конструктивных особенностей и параметров электрической сети мы рассмотрим далее.
Общая информация
Подключение трехфазных двигателей подразумевает относительно сложную операцию, которая требует понимания процессов, протекающих в электроустановке. Для чего необходимо рассмотреть как составляющие элементы, так и их назначение.
Конструктивно трехфазные электродвигатели состоят из:
- Статора с магнитопроводом;
- Ротора с валом;
- Обмоток.
В зависимости от типа двигателя встречаются модели с короткозамкнутым или фазным ротором. В одних ротор вращается только за счет электромагнитного поля, наводимого от обмоток статора, в других, вращение вала получает усилие от поля ротора при протекании тока в его обмотках. Для включения трехфазных двигателей необходимо разобраться с тем, как фазы обмоток соединяются между собой.
Схемы подключения обмоток двигателя
В трехфазных асинхронных электродвигателях применяется два варианта соединения – в звезду и треугольник. В трехфазных асинхронных электрических машинах, в зависимости от модели, можно реализовать схему:
- Звезда;
- Треугольник;
- Звезда и треугольник.
Простейший способ определения возможностей конкретного асинхронного электромотора – посмотреть на шильд (металлическая пластина с техническими параметрами). На них обозначается в том числе и номинал рабочего напряжения для соответствующего соединения. Здесь может указываться обозначение только для звезды, только для треугольника или и тот и другой вариант одновременно, пример такой маркировки приведен на рисунке ниже:
Пример обозначения на шильде
Если шильд отсутствует или информация на нем стерлась, то схему подключения можно узнать, открыв блок распределения начал обмотки (БРНО). Если вы увидите 6 выводов, имеющих клеммные соединения, можно определить тип включения обмоток. Гораздо хуже, когда борно имеет только три вывода, а подключение производится внутри корпуса. В этом случае нужно разобрать трехфазный электромотор, чтобы увидеть способ соединения.
Звезда
Схема подключения трехфазного двигателя звездой предусматривает, что начало каждой обмотки объединяется в одну точку, а к их концам подключаются фазы от питающей линии. Такой тип обеспечивает значительно более плавный пуск и относительно щадящий режим работы. Однако мощность, с которой вращается ротор, в полтора раза ниже, чем при подключении треугольником. Схематически данное подключение выглядит следующим образом:
Схема подключения звезда
Как видите на рисунке, концы выводов обмоток трехфазного двигателя A2, B2, C2 соединены в один электрический узел. А к клеммам A1, B1, C1 – подключаются фазные провода, как правило, на 220 или 380 вольт.
Если рассматривать данную схему на примере борна, выглядеть оно будет так:
Соединение обмоток звездой
Треугольник
Чтобы подключить электродвигатель треугольником вам необходимо подвести конец одной обмотки к началу другой. И таким образом замкнуть обмотки в своеобразное кольцо, в точки соединения которых и подключаются выводы питающей линии. Схема соединения треугольником обеспечивает максимальный момент и усилие на валу, что особенно актуально для больших нагрузок. Однако и ток в обмотках при номинальной нагрузке также пропорционально повысится, не уже говоря о режимах перегрузки.
Поэтому включение трехфазного двигателя треугольником и требует понижения напряжения. К примеру, если одну и ту же электрическую машину можно подключить с соединением обмоток и треугольником, и звездой, то звезда будет иметь напряжение питания 380, а треугольник 220 вольт или 220 и 127 вольт соответственно. Схематически подключение обмоток треугольником будет выглядеть так:
Схема подключения треугольник
Как видите, соединение производится от A2 к B1, от B2 к C1, от C2 к A1, в некоторых моделях электрических машин маркировка выводов может отличаться, но на крышке борна будет отображаться их принадлежность к той или иной обмотке и возможные варианты соединения между собой.
Соединение обмоток треугольником
Варианты подключения
Трехфазные двигатели имеют отличные характеристики, довольно широкий модельный ряд и применяются в самых разнообразных устройствах. Поэтому их применяют как в промышленных устройствах с трехфазным питанием, так и в бытовых однофазных электроустановках. Далее разберем оба варианта подключения электрических машин.
В однофазную сеть
Конструктивная особенность трехфазного агрегата, в отличии от однофазных асинхронных двигателей, состоит в необходимости сдвига фаз в обмотках, иначе вращения вала не будет происходить. Чтобы изменить ситуацию одну фазу разделяют для всех трех обмоток, в две из которых включаются дополнительная индуктивность и пусковая емкость. Которые и обеспечивают сдвиг тока и напряжения относительно напряжения в сети. Индуктивность позволяет осуществить сдвиг напряжения в отрицательную область до -90°, а вот однофазный конденсатор, наоборот, в положительную до +90°.
Графически функция отставания напряжения от тока будет выглядеть следующим образом:
Изменение тока и напряжения на емкости и индуктивности
Однако на практике смещение обеспечивается только емкостными элементами, которые включаются в цепь электроснабжения одной из обмоток, а две другие запускаются между фазным и нулевым проводом. Схема подключения трехфазного двигателя в однофазной цепи приведена на рисунке ниже:
Схема включения в однофазную сеть
Как видите на рисунке, от фазного провода делается отпайка, содержащая конденсаторный однофазный магазин из двух элементов, один для пуска C2, второй для постоянной работы C1. При нажатии кнопки пуска происходит одновременное замыкание контактов SA1 и SA2, но после создания достаточного момента и начала вращения SA1 отбрасывается и выводит C1 из цепи, оставляя C2. Мощность, при такой схеме включения двигателя, снижается до 30 – 50%.
Расчет конденсаторного пуска производится по формуле:
Сраб = (2800*I)/U — для включения трехфазного двигателя звездой
Cраб = (4800*I)/U — для включения трехфазного двигателя треугольником
Пусковой конденсатор используется только в нагруженном пуске, поэтому в легком запуске его можно не применять. Тогда вместо емкости пускового будет задействоваться рабочий.
В трёхфазную сеть
В трехфазной сети, несмотря на наличие необходимого типа питающего напряжения, всегда используется магнитный пускатель для приведения двигателя во вращение. Производить запуск без пускателя или контактора довольно опасно, поэтому они являются неотъемлемым элементом.
Схема включения в трехфазную сеть
На рисунке выше приведена обычная схема подключения двигателя к трехфазной сети, которая работает по такому принципу:
Как подключить трехфазный двигатель 380 в однофазную сеть 220
Всякий асинхронный трехфазный двигатель рассчитан на два номинальных напряжения
трехфазной сети 380 /220 — 220/127 и т. д. Наиболее часто встречаются двигатели 380/220В.
Переключение двигателя с одного напряжения на другое производится подключением обмоток «на звезду» — для 380 В или на «треугольник» — на 220 В. Если у двигателя имеется колодка
подключения, имеющая 6 выводов с установленными перемычками, следует обратить внимание в каком порядке установлены перемычки. Если у двигателя отсутствует колодка и имеются 6 выводов
-обычно они собраны в пучки по 3 вывода. В одном пучке собраны начала обмоток, в другом концы
(начала обмоток на схеме обозначены точкой).
В данном случае «начало» и «конец» — понятия условные, важно лишь чтобы направления намоток
совпадали, т. е. на примере «звезды» нулевой точкой могут быть как начала, так и концы обмоток, а
в «треугольнике» — обмотки должны быть соединены последовательно, т. е. конец одной с началом
следующей. Для правильного подключения на «треугольник» нужно определить выводы каждой
обмотки, разложить их попарно и подключить по след. схеме:
Если развернуть эту схему, то будет видно, что катушки подключены «треугольником».
Если у двигателя имеется только 3 вывода, следует разобрать двигатель: снять крышку со
стороны колодки и в обмотках найти соединение трёх обмоточных проводов (все остальные
провода соединены по 2). Соединение трёх проводов является нулевой точкой звезды. Эти 3
провода следует разорвать, припаять к ним выводные провода и объединить их в один пучок. Таким
образом мы имеем уже 6 проводов, которые нужно соединить по схеме треугольника.
Трехфазный двигатель вполне успешно может работать и в однофазной сети, но ждать от
него чудес при работе с конденсаторами не приходится. Мощность в самом лучшем случае будет не
более 70% от номинала, пусковой момент сильно зависит от пусковой емкости, сложность подбора
рабочей емкости при изменяющейся нагрузке. Трехфазный двигатель в однофазной сети это
компромис, но во многих случаях это является единственным выходом.
Существуют формулы для рассчета емкости рабочего конденсатора, но я считаю их не корректными по следующим причинам:
- Рассчет производится на номинальную мощность, а двигатель редко работает в таком
режиме и при недогрузке двигатель будет греться из-за лишней емкости рабочего конденсатора и
как следствие увеличенного тока в обмотке. - Номинальная емкость конденсатора указаная на его корпусе отличается от фактической +
/- 20%, что тоже указано не конденсаторе. А если измерять емкость отдельного конденсатора, она
может быть в два раза большей или на половину меньшей. Поэтому я предлагаю подбирать емкость
к конкретному двигателю и под конкретную нагрузку, измеряя ток в каждой точке треугольника,
стараясь максимально выравнять подбором емкости. Поскольку однофазная сеть имеет
напряжение 220 В, то двигатель следует подключать по схеме «треугольник». Для запуска
ненагруженного двигателя можно обойтись только рабочим конденсатором.
Направление вращения двигателя зависит от подключения конденсатора (точкаа ) к точкеб илив .
Практически ориентировочную ёмкость конденсатора можно определить по сл. формуле:
Cмкф = P Вт /10, где C – ёмкость конденсатора в микрофарадах, P – номинальная мощность
двигателя в ваттах. Для начала достаточно, а точная подгонка должна производиться после
нагрузки двигателя конкретной работой. Рабочее напряжение конденсатора должно быть выше
напряжения сети, но практика показывает, что успешно работают старые советские бумажные
конденсаторы рассчитаные на 160В. А их найти значительно легче, даже в мусоре.
У меня мотор на сверлилке работает с такими конденсаторами, расположеными для защиты от хлопка в заземленной коробке от пускателя не помню сколько лет и пока все цело. Но к такому подходу я не призываю, просто информация для размышления. Кроме того, если включить 160-ти вольтовые конденсаторы последовательно, вдвое потеряем в емкости зато рабочее напряжение
увеличится вдвое 320В и из пар таких конденсаторов можно собрать батарею нужной емкости.
Включение двигателей с оборотами выше 1500 об/мин, либо нагруженных в момент пуска, затруднено. В таких случаях следует применить пусковой конденсатор, ёмкость которого зависит от нагрузки двигателя, подбирается экспериментально и ориентировочно может быть от равной
рабочему конденсатору до в 1,5 – 2 раза большей. В дальнейшем, для понятности, все что относится к работе будет зеленого цвета, все что относится к пуску будет красного, что к
торможению синего.
Включать пусковой конденсатор в простейшем случае можно при помощи нефиксированной кнопки.
Для автоматизации пуска двигателя можно применить реле тока. Для двигателей мощностью до 500 Вт подойдёт реле тока от стиральной машины или холодильника с небольшой переделкой. Т. к. конденсатор остаётся заряженным и в момент повторного запуска двигателя, между контактами возникает довольно сильная дуга и серебряные контакты свариваются, не отключая пусковой конденсатор после пуска двигателя. Чтобы этого не происходило, следует контактную пластинку пускового реле изготовить из графитовой или угольной щётки (но не из медно- графитовой, т. к. она тоже залипает). Также необходимо отключить тепловую защиту этого реле, если мощность двигателя превышает номинальную мощность реле.
Если мощность двигателя выше 500 Вт, до 1,1кВт можно перемотать обмотку пускового реле более толстым проводом и с меньшим количеством витков с таким расчётом, чтобы реле отключалось сразу же при выходе двигателя на номинальные обороты.
Для более мощного двигателя можно изготовить самодельное реле тока, увеличив размеры оригинального.
Большинство трехфазных двигателей мощностью до трех кВт хорошо работают и в однофазной сети за исключением двигателей с двойной беличьей клеткой, из наших это серия МА,
с ними лучше не связываться, в однофазной сети они не работают.
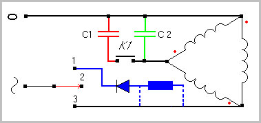
Трехфазный двигатель практические схемы включения на 220
Обобщающая схема включения
С1- пусковой, С2- рабочий, К1- нефиксирующаяся кнопка, диод и резистор- система
торможения.
Работает схема следующим образом: при переводе переключателя в положение 3 и нажатии на кнопку К1 происходит пуск двигателя, после отпускания кнопки остается только рабочий
конденсатор и двигатель работает на полезную нагрузку. При переводе переключателя в положение 1, на обмотку двигателя подается постоянный ток и двигатель тормозится, после остановки
необходимо перевести переключатель в положениие 2, иначе двигатель сгорит, поэтому переключатель должен быть специальным и фиксироваться только в положении 3 и 2, а положение
1 должно быть включено только при удержании.
При мощности двигателя до 300Вт и необходимости быстрого торможения, гасяший резистор можно не применять, при большей
мощности сопротивление резистора подбирается по желаемому времени торможения, но не должно быть меньше сопротивления обмотки двигателя.
Эта схема похожа на первую, но торможение здесь происходит за счет энергии запасенной в электролитическом конденсаторе С1 и время торможения будет зависить от его емкости. Как и в
любой схеме пусковую кнопку можно заменить на реле тока. При включении переключателя в сеть двигатель запускается и происходит заряд конденсатора С1 через VD1 и R1. Сопротивление R1
подбирается в зависимости от мощности диода, емкости конденсатора и времени работы двигателя
до начала торможения.
Если время работы двигателя между пуском и торможением превышает 1 минуту, можно использовать диод КД226Г и резистор 7кОм не менее 4Вт. рабочее напряжение
конденсатора не менее 350В Для быстрого торможения хорошо подходит конденсатор от фотовспышки, фотовспышек много, а нужды в них больше нет. При выключении переключатель
переходит в положение замыкающее конденсатор на обмотку двигателя и происходит торможение постоянным током. Используется обычный переключатель на два положения.
Схема реверсивного включения и торможения
Эта схема развитие предыдущей, здесь автоматически происходит запуск при помощи токового реле и торможение электролитическим конденсатором, а также реверсивное включение.
Отличие этой схемы: сдвоеный трехпозиционный переключатель и пусковое реле. Выкидывая из этой схемы лишние элементы, каждый из которых имеет свой цвет, можно собрать схему нужную
для конкретных целей. При желании можно перейти на кнопочное включение, для этого понадобятся один или два автоматических пускателя с катушкой на 220В Используется сдвоеный
переключатель на три положения.
Еще одна не совсем обычная схема автоматического включения.
Как и в других схемах здесь есть система торможения, но ее при ненадобности легко выкинуть. В этой схеме включения две обмотки соединены паралельно, а третья через систему
пуска и вспомогательный конденсатор, емкость которого примерно в два раза меньше необходимого при включении треугольником. Для изменения направления вращения нужно поменять местами
начало и конец вспомогательной обмотки, обозначеной красной и зеленой точками. Запуск происходит за счет зарядки конденсатора С3 и продолжительность запуска зависит от емкости
конденсатора, а емкость должна быть достаточно велика, чтобы двигатель успел выйти на номинальные обороты.
Емкость можно брать с запасом, так как после заряда конденсатор не
оказывает заметного действия на работу двигателя. Резистор R2 нужен для разрядки конденсатора и тем самым подготовки его для следующего пуска, подойдет 30 кОм 2Вт. Диоды Д245 — 248
подойдут любому двигателю. Для двигателей меньшей мощности соответственно уменьшится и мощность диодов, и емкость конденсатора. Хоть и затруднительно сделать реверсивное включение по данной схеме, но при желании и это можно. Потребуется сложный переключатель или пусковые
автоматы.
Использование электролитических конденсаторов в качестве пусковых и рабочих.
Стоимость неполярных конденсаторов достаточно высока, да и не везде их можно найти.
Поэтому, если их нет, можно применить электролитические конденсаторы, включенные по схеме не
намного сложнее. Емкость их достаточно велика при небольшом объеме, они не дефицитны и не дороги. Но нужно учесть вновь возникшие факторы. Рабочее напряжение должно быть не менее
350 Вольт, включаться они могут только парами, как указано на схеме черным цветом, а в таком случае емкость уменьшается вдвое. И если двигателю для работы нужно 100 мкФ, то конденсаторы
С1 и С2 должны быть по 200мкФ.
У электролитических конденсаторов большой допуск по емкости, поэтому лучше собрать батарею конденсаторов (обозначена зеленым цветом), легче будет подбирать фактическую емкость
нужную двигателю и кроме того у электролитов очень тонкие выводы, а ток при большой емкости может достигать значительных величин и выводы могут греться, а при внутреннем обрыве вызвать
взрыв конденсатора. Поэтому вся батарея конденсаторов должна находиться в закрытой коробке, особенно во время экспериментов. Диоды должны быть с запасом по напряжению и по току,
необходимому для работы. До 2кВт вполне подойдут Д 245 — 248. При пробое диода сгорает (взрывается) конденсатор. Взрыв конечно сказано громко, пластмассовая коробка вполне защитит от
разлета деталей конденсатора и от блестящего серпантина тоже. Ну вот, страшилки рассказаны, теперь немного конструкции.
Как видно из схемы, минусы всех конденсаторов соединены вместе и, стало быть, конденсаторы старой конструкции с минусом на корпусе можно просто плотно перемотать
изолентой и поместить в пластмассовую коробку соответствующих размеров. Диоды нужно расположить на изоляционной пластинке и при большой мощности поставить их на небольшие
радиаторы, а если мощность не велика и диоды не греются, то их можно поместить в ту же коробку.
Включенные по такой схеме электролитические конденсаторы, вполне успешно работают как пусковыми так и рабочими.
Включение пускового конденсатора при помощи реле тока.
Из теории известно, что пусковой ток в несколько раз превышает номинальный ток рабочего двигателя, поэтому включение пускового конденсатора при включении трехфазного двигателя в
однофазную сеть, можно осуществить автоматически, — при помощи реле тока.
Для двигателей до 0,5 кВт подойдёт пусковое реле от холодильника, стиральной машины типа РП-1, с небольшой переделкой. Подвижные контакты надо заменить на графитовую или угольную пластинку, выточенную из щётки коллекторного двигателя, по размерам оригинала. Т. к. при повторном включении, ток заряженного конденсатора даёт большую искру на контактах, и
стандартные контакты свариваются между собой. При применении графита, такого явления не наблюдалось. (Кроме того, следует отключить термореле).
Для двигателей до 1 кВт можно перемотать РП-1 проводом Ф1,2мм до заполнения катушки 40-45 витков.
Для более мощных двигателей следует изготовить реле тока по аналогии с РП-1, большего размера.
Моточный провод реле должен соответствовать номинальному току двигателя, из расчёта 5А / 1мм?.
Колличество витков следует подобрать экспериментально, для чёткого включения реле при запуске и отключения после запуска. Лучше намотать больше витков и отматывать до достижения
четкого отключения после пуска.
1- медные стержни из проволоки Ф2-2,5мм запрессованы в чуть меньшие отверстия
или на клею провода к ним просто припаяны 2-диск из графитовой щетки Ф на 1,5мм меньше Ф корпуса, толщина 1,5-2мм 3- корпус 4- обмотка 5- якорек
Корпус реле можно изготовить из текстолита, гетинакса, эбонита и т. п. Стержень — алюминиевая проволока, магнитный якорь — циллиндр из малоуглеродистой стали выточен в форме стакана.
Чтобы понятнее была конструкция самодельного реле, можно разобрать реле РП-1 и изготовить аналог, пропорционально увеличив детали. Примерный размер корпуса Ф30мм h 60мм.
Якорек и контактный диск должны свободно перемещаться по стержню. Пружина не должна быть слишком сильной.
Включение и реверсирование трехфазного асинхронного двигателя (380/220) в однофазную сеть одним переключателем
Множество представленных в Интернете схем реверсирования необоснованно усложнены и имеют неоправданно большое количество переключателей.
Предлагается простая схема включения и реверсирования одним переключателем.
Подойдёт практически любой переключатель имеющий 3 фиксированных положения, соответствующий мощности двигателя.
При необходимости – данная схема облегчает автоматизацию включения – выключения и реверсирования двигателя.
При необходимости пускового конденсатора (включение нагруженного или высокооборотистого двигателя), его можно подключать при помощи пусковой кнопки или реле тока.
Изменение оборотов трехфазного асинхронного двигателя (380/220) включённого в однофазную сеть
Чтобы не применять дорогой и сложный коллекторный двигатель в механизмах требующих изменения оборотов двигателя, можно обойтись асинхронным трёхфазным двигателем, введя в
фазовый провод реостат или простейший регулятор мощности.
Переделка двигателя заключается в изменении якоря двигателя.
По образцу якоря, установленного в двигателе изготавливается «массивный якорь» из магнитомягкой малоуглеродистой стали или из серого чугуна (СЧ). (Чугунный работает лучше.)
Из старого якоря можно выпрессовать вал и насадить на него массивный якорь.

































